距博览会开幕
还有
展会知识 当前位置:首页 »展会知识
硬核推荐(砂石骨料生产技术)砂石骨料生产线工艺如何配型,
时间:2023-04-03 

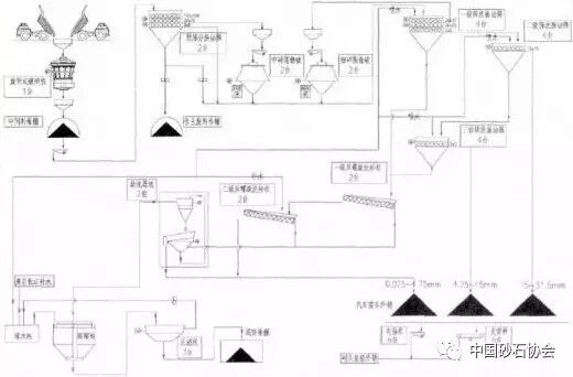
投资矿山都是大手笔,架上一条生产线,轰隆隆赚钱之前,一定要设计先行。在生产线建设中,如果不同的工程师给你N张设计图,你能看得懂吗?你能鉴别出其中的优劣吗?本文贡献一张砂石骨料半干法湿法生产线工艺流程图进行详细介绍,并对其设计要求点评几句,供你参考。一、首先来图一张

设备主要配置

二、工艺流程介绍

矿山原料经旋回式破碎机进行粗破后进入中间料堆棚储存,然后输送至石灰石预筛分车间,预筛分后大于 31.5 mm 的物料喂入标准圆锥破碎机进行中碎;4.75~31.5 mm 的物料与中碎后的物料一起送至骨料筛洗车间进行一级筛洗。当原料中含土量较少时,预筛分后小于 4.75 mm 的物料也送至筛洗车间进行筛洗。 当原料中含土量较多时,小于 4.75mm 的物料输送至含土废料堆棚储存, 然后用于矿山开采后的复垦垫层。旋回式破碎机、预筛分振动筛、圆锥式破碎机及物料转运点均设有高效袋收尘器进行除尘。

(一)砂石骨料筛洗 

骨料筛洗由三级湿法筛洗组成。各级湿法筛洗由每个筛面上安装的高压喷淋设备和筛网上物料振动翻滚来完成。

来自预筛分和中细破车间的物料通过一级筛洗振动筛筛洗后,大于 31.5 mm 的物料返回中细碎车间再此破碎。 小于 4.75 mm 的物料随洗石废水一起 送 入 水 洗 砂 车 间 的 双 螺 旋 洗 砂 机 进 行 洗 砂 。4.75~31.5 mm 的骨料输送至二三级成品振动筛进一步筛洗。 经过二三级筛洗后的 15~31.5 mm 和4.75~15 mm 骨料送至各自的成品 堆场 。 筛下的小于 4.75 mm 的含泥细粉随洗石废水也一起送入水洗砂车间的双螺旋洗砂机进行洗砂。

(二)水洗砂及废水泥料处理系统

小于 4.75 mm的物料随洗石废水一起经双螺旋洗砂机进行水砂分离,分离后的污水进入旋流器组进行再次分离,分离后的机制砂产品输送至 0.075~4.75 mm 堆场。 再分离后的污水进入浓缩池经浓缩机浓缩,在浓缩过程中进行加药处理。 浓缩后的液体上层清水流入清水池,通过清水泵循环使用于生产线。 下层泥浆通过中间缓冲池,经渣浆泵送至压滤机车间进行压滤。 压滤后的泥饼废料单独储存于泥饼堆棚,用于矿山开采后复垦。

(三)产品储存及发运

水洗后的产品均采用露天储存。 每种产品料堆下设置电机振动给料机和皮带秤,然后输送至码头装船发运。每个料堆下至少设置两个皮带秤,以便控制砂石骨料外销时的合理级配。

三、设计要点分析

(一)设置中间料堆棚

中间料堆棚可调节骨料生产线整体的系统产能。 粗破工段检修时,则下游的骨料制成工段不会因此停产。 当矿山开采只能白班生产时,下游的骨料制成工段仍可两班生产,而且设备台数可减少。 通过生产班制调节系统产能,减少了投资,发挥了系统各设备的优势。

(二)充分利用地形高差

任何生产线的设计如果能将建设投资和运营成本降为最低是非常优秀的设计。 因地制宜,充分利用地形高差进行工艺布局,不仅可以减少土建投资和设备投资,而且可以降低生产运营成本。

(三)中细破前设计预筛分

南方矿石原料中含的土料多为黏土,一般很难通过筛分将土剔除干净。设计预筛分,不仅可以在原料含土量较高时通过筛分将小于 5 mm 的含土废料筛出以便用于矿山复垦垫层,而且可以使经过粗破后小于 31.5 mm 的骨料不再经过中细破,进而提高系统产量和减小粉状料的产生。

(四)成品筛采用单层振动筛喷淋水洗

半干法砂石骨料生产线一级振动筛喷淋的目的是除去部分泥土和使不易洗清的物料尽早湿水,以便含泥料提前泡软。 二、三级成品振动筛设计成单层,其喷淋水洗的目的是使每种物料产品都有和清水直接接触的机会,进而提高骨料产品的洁净度。

(五)砂石水洗系统

小于 4.75 mm 的含泥废水因泥砂量较大、粒度较大,不宜采用渣浆泵输送,只能通过水槽自流至洗砂机。 在此环节应充分考虑废水流动的距离和水槽角度,尽可能将洗砂机车间布置在比振动筛车间所在标高低的台段上,水槽做成 U型槽以便减少摩擦。 洗砂机出料和旋流器组出料处均应设置滤水筛,以避免进入成品堆场的小于 4.75mm 物料含水量过大而影响产品销售。

(六)废水泥料处理系统

洗砂后的含泥粉废水在进浓缩池过程中,加药点的位置要合理,加药量要合适,以提高浓缩机系统的效果。 压滤机前应该设置缓冲搅拌池,以满足浓缩机后渣浆泵连续工作和压滤机按次间歇式工作的要求。 压滤机能力的选择要充分考虑每次工作需要的时间和泥饼含水量要求。

(七)产品储存及发运

此环节设计要点是每个料堆下除设置合适的出料设备外,至少应设置 1~2 台计量秤,以便调节砂石的合理级配,满足客户对不同级配砂石骨料的需求。

相关知识:

破碎机按照大类可分为医用破碎机和矿业破碎机。其中医用碎石机主要用于结石的破碎,一般采用共振等方式将结石破碎,避免手术带来的各种风险。

根据破碎的原理,重型矿山机械常用破碎机械有颚式破碎机、反击式破碎机、立式冲击式破碎机、液压圆锥破碎机、环锤式破碎机、锤式破碎机、辊式破碎机、复合式破碎机、圆锥式破碎机、双级破碎机、旋回式破碎机、移动式破碎机等。

不同型号的破碎机工作原理也完全不同,以环锤式破碎机为例:

锤式破碎机主要是靠冲击能来完成破碎物料作业的。锤式破碎机工作时,电机带动转子作高速旋转,物料均匀的进入破碎机腔中,高速回转的锤头冲击、剪切撕裂物料致物料被破碎,同时,物料自身的重力作用使物料从高速旋转的锤头冲向架体内挡板、筛条,在转子下部,设有筛板、粉碎物料中小于筛孔尺寸的粒级 通过筛板排出,大于筛孔尺寸的物料阻留在筛板上继续受到锤子的打击和研磨。

根据破碎方式、机械的构造特征(动作原理)来划分的,大体上分为六类:

(1)鄂式破碎机(老虎口)。破碎作用是靠可动鄂板周期性地压向固定鄂板,将夹在其中的矿块压碎。

(2)圆锥破碎机。矿块处于内外两圆锥之间,外圆锥固定,内圆锥作偏心摆动,将夹在其中的矿块压碎或折断。

(3)辊式破碎机。矿块在两个相向旋转的圆辊夹缝中,主要受到连续的压碎作用,但也带有磨剥作用,齿形辊面还有劈碎作用。

(4)冲击式破碎机。矿块受到快速回转的运动部件的冲击作用而被击碎。属于这一类的又可分为:锤碎机;笼式破碎机;反击式破碎机。

(5)磨矿机。矿石在旋转的圆筒内受到磨矿介质(钢球、钢棒、砾石或矿块)的冲击与研磨作用而被粉碎。

A、辊磨机:借转动的辊子将物料碾碎。

B、盘磨机:利用垂直轴或水平轴的圆盘转动作为破碎部件。

C、离心磨矿机。利用高速旋转部件和介质产生产离心力来完成破碎作用。

D、振动磨矿机。利用转轴产生高频率的振动,使介质与物料互相碰击而完成破碎作用。

各类破碎机有不同的规格,不同的使用范围。粗碎多用鄂式破碎机或旋回圆锥破碎机;中碎采用标准型圆锥破碎机;细碎采用短头型圆锥破碎机。

来源:我看破碎机

————————

编辑:张朋、马静

平面设计:马静

责任编辑:贾茜茜

注明:本文章来源于互联网,如侵权请联系客服删除! WICEE 2024国际工程机械展 官方网站-中国西部成都国际工程机械展览会

版权所有:上海企升展览有限公司 沪ICP备2021023001号-9